産(chan)品(pin)中心

PRODUCT

産品中(zhong)心(xin)

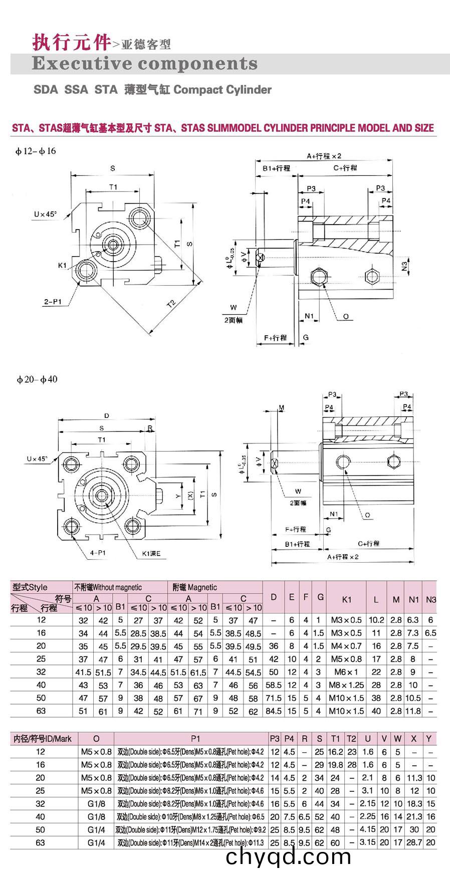
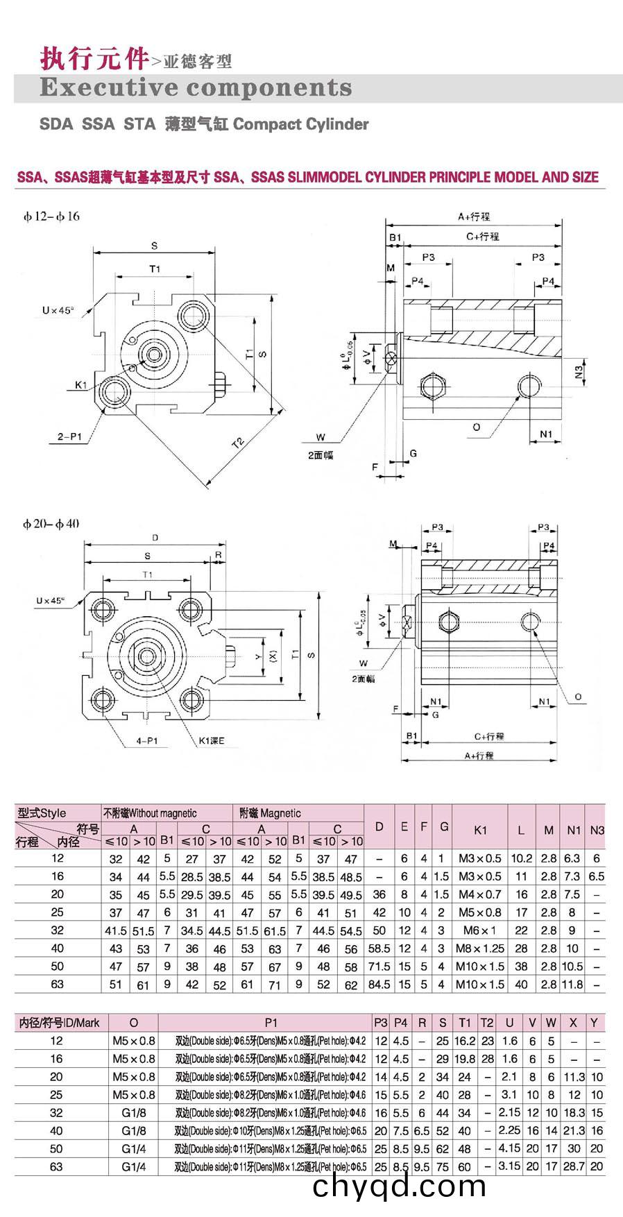
SDA SSA STA超(chao)薄氣(qi)缸

如(ru)菓您(nin)有(you)任何問(wen)題(ti)可(ke)以聯係我(wo)們(men)!
聯係我們(men)
  • 詳細信(xin)息
相關産品
© 淛江東(dong)特(te)氣動(dong)有限公司   淛ICP備08007925號-1   XML   網站地(di)圖   網(wang)站(zhan)製作維(wei)護:傳信網絡

百度
咨(zi)詢

掃(sao)一(yi)掃,加(jia)我爲(wei)朋友
掃一(yi)掃,加我(wo)爲(wei)朋(peng)友

服務
熱線

0577-62886099
服(fu)務熱(re)線(xian)

YFrTm